Abstract
Sustainability in the construction industry entails measures to reduce the environmental impact of construction projects, achieve economic viability, and ensure a livable environment before, during, and after construction. However, construction activities generate substantial pollution, including dust and noise, and given their large scale, long duration, and involvement of multiple public service departments, considerable information is produced throughout each project. Traditional approaches to pollution control have proven largely ineffective, whereas platform-based models have demonstrated efficiency and cost-effectiveness in many sectors. This study therefore explores the digital transformation of public service governance for construction pollution through a platform-based approach. Timed Petri nets are employed to model and analyze both traditional and platform governance modes, providing a theoretical foundation for the digital upgrading of the construction industry using public data (e.g., construction pollution data). Results indicate that the platform governance mode reduces governance time by over 40% and substantially enhances information exchange efficiency compared with the traditional mode. By contrasting time delays between the two approaches, the superior efficiency of the platform model is highlighted. The paper further summarizes key findings, offers recommendations for institutional support and future research, and validates the proposed governance model through an empirical case study.
Keywords
1. Introduction
The construction industry is a major contributor to carbon emissions, making the promotion of its sustainable development an urgent priority[1-3]. Sustainability in this sector involves achieving economic viability while reducing environmental impacts and ensuring a healthy living environment before, during, and after construction[4]. Nevertheless, construction activities continue to generate substantial pollution, which undermines both environmental protection and sustainable economic development[5,6]. Of particular concern are pollutants released during construction[7-9]. For instance, grinding and drilling operations produce large amounts of dust that can be inhaled by workers, posing serious health risks[10,11]. Noise is another critical challenge to sustainable development in the industry[12]; it not only disrupts surrounding ecosystems but also adversely affects the health of construction workers[13,14]. Therefore, controlling dust and noise pollution during construction is essential not only for safeguarding workers’ health and safety but also for promoting environmental protection and long-term economic sustainability[15].
Public services refer to the goods and services provided by governments to meet public needs. In the context of construction engineering, public services encompass vital governmental responsibilities, such as ensuring public safety and protecting environmental health[16]. These services highlight two aspects of construction: (1) the activity of creating or modifying fixed assets, which constitutes an organized, purposeful, and large-scale economic activity; and (2) the output of construction, including buildings and infrastructure that provide the material and technical foundation for human life and production. Because public service provision is a continuous process, this paper adopts the perspective of construction activities and defines public services in construction engineering as the goods and services delivered to meet public needs during such economic activities. However, due to the large scale, extended duration, and involvement of multiple government departments, the provision and management of these services often suffer from inefficiency and low quality, with wide-ranging impacts[17]. Although governance of construction-related public services appears relatively straightforward, the limitations of the traditional governance model highlight the need to transition toward a platform-based mode.
The platform approach is essential for transforming and upgrading the governance of public services in construction engineering. It functions not only as a technological tool for enhancing governance efficiency but also as a fundamental driver of changes in governance models. The digital transformation of the construction industry has already improved the supervisory efficiency of public service departments[18]. However, digitalization also introduces additional costs for construction enterprises, particularly in processes of data collection, transmission, and storage, with pollution governance requiring even greater effort[19,20]. The platform mode offers inherent advantages in addressing these challenges through economies of scale and scope. By uploading pollution governance data to a centralized platform managed by public service departments, construction enterprises enable more efficient control and clearer data visualization[21]. In this way, platform-based governance of construction pollution supports the advancement of network governance and helps overcome existing governance dilemmas.
In summary, this study seeks to promote sustainable development in the construction industry by reengineering the governance process for public services in construction projects. It develops an evaluation method for the platform governance mode, examines the feasibility of applying this approach to construction pollution control, and proposes a theoretical model of construction pollution governance grounded in platform economics. Timed Petri nets are employed to analyze and compare the platform governance mode with the traditional governance approach.
2. Literature Review
2.1 Public service governance mode
Over the course of public management development, three generations of governance modes have emerged. The first is the traditional bureaucratic mode, rooted in the principles of scientific management. This approach emphasizes hierarchy, specialization, and rationalization, which initially ensured high efficiency in public administration and service delivery[22]. However, as public demand grew and the responsiveness of government agencies weakened, bureaucratic governance came under criticism for rising costs, excessive bureaucracy, and redundant functions[23]. These shortcomings largely stemmed from its inability to adequately address evolving public needs and to adapt to future reforms[22].
The second generation is the new public management mode, which seeks to enhance governance by incorporating market mechanisms. To overcome financial constraints and improve efficiency, many Western countries initiated public management reform movements, giving rise to the NPM approach. Its core principle lies in leveraging market forces and fostering collaboration between government and non-government actors, including social organizations and citizens[24,25]. Empirical evidence indicates that NPM improved upon the first-generation model by enhancing operational efficiency[26,27], lowering information costs[28], and delivering more tailored services through outsourcing[26]. Nonetheless, as reforms deepened, several limitations became evident: (1) traditional theories proved ill-suited for market application; (2) the pursuit of efficiency often undermined key values of justice and fairness in public administration[25]; (3) disregard for institutional rules in some cases led to corruption; (4) fragmentation and information asymmetry weakened public governance[24]; and (5) cooperation among governance actors was often superficial rather than substantive[22].
The third generation is the network governance mode, which is driven by information technology. The expansion of public service outsourcing, the limitations of new public management, and the advent of the digital revolution collectively accelerated the development of network governance theory[29]. Unlike the traditional bureaucratic model and new public management, network governance represents a distinct paradigm grounded in technological capacity[22]. This mode addresses the longstanding dilemma of “more government versus more market” by introducing a flexible framework that connects and integrates the public sector with the market through information technology. In doing so, it enables collaborative governance among multiple actors and enhances the creation of public value[30].
Under the network governance model, governments establish policies and institutional frameworks, while appropriately regulating and guiding market forces to leverage the respective strengths of governments, markets, social organizations, and citizens[31]. Although the evolution of public service governance has been extensively studied, research specifically focused on governance models in the construction engineering sector remains limited. To address this gap, the present study adopts the platform as an intermediary to foster interaction, negotiation, and trust-building among stakeholders, thereby advancing network-based governance of public services in construction engineering.
2.2 Platform mode
With the rise of the network economy, the term “platform” has become ubiquitous. From an economic perspective, platforms are viewed as a business model for organizing and operating market interactions[32]. The emergence of internet giants such as Google, Amazon, and Taobao drew the attention of industrial economists and led to the development of platform economics and bilateral platform strategies. Chen and Yu[33] emphasized that the platform mode connects two or more groups to meet their needs, serving as an interactive mechanism that enables exchanges and generates mutual benefits. Today, platforms function as interactive hubs where multiple groups participate in production and trade[34]. They also act as “economic catalysts” that facilitate multilateral exchanges and accelerate the realization of collective value[35].
In recent years, the platform concept has been applied as a management strategy in public governance. Scholars have variously conceptualized platforms as a governance strategy[36,37], a technological tool for e-government[38,39], or an organizational logic[40,41]. Building on network governance theory, some researchers frame platforms as network-based management organizations, while others regard them as a governance mode within open government and e-government paradigms[42]. Notably, Marijn and colleagues proposed the strategy of “platform-based governance”, which seeks to integrate diverse services, functions, and technologies, bring together multiple stakeholders, and form a collaborative community. This approach reduces transaction costs, enhances the public value of the platform ecosystem, and fosters governmental innovation[38]. As both a governance mode and a strategic tool, platforms enable innovation and collaborative governance of public services by harnessing the combined power of government, society, and markets[38]. The spread of platform practices has gradually clarified the role of platforms as vehicles for network-based governance of public services.
Table 1 presents various concepts of platform governance. In platform economics, a platform is regarded as a business model, whereas in public management, it is viewed as a governance approach and a governmental strategy. These two perspectives do not intersect, which complicates the explanation of the economic implications of platform governance and provides limited theoretical guidance on establishing and operating such governance models. Therefore, this paper draws on the definition of a platform from industrial economics and proposes that the platform governance model can offer an online space for information exchange in the public service governance of construction engineering, facilitating interactions among two or more groups of governance actors and thereby enhancing social value.
| Perspective | Definition | Ref. |
| Product development | A basic or core technology in the production of series products, relying on the company's own strength to produce and design products. | [43] |
| Technical strategy | Information technology infrastructure and technical support system based on open standards and shared by many parties. | [43] |
| Industrial economics | Used in the situation of multi-bilateral market, it is a real or virtual space, which can lead to or facilitate transactions between two or more groups of customers and has obvious network externalities. | [35,43] |
2.3 Petri nets
In 1962, Carl Adam Petri, a German scholar, mathematically described changes in physical states and established a model for information flow in communication systems with a mesh structure[44]. This system model was later named Petri nets by subsequent researchers. Since their introduction, Petri nets have attracted widespread attention and have been extensively applied in various fields for system modeling, analysis, and control[44]. As both theory and practice have developed, limitations of basic Petri nets have gradually emerged, making it difficult to accurately simulate real-world system operations. To address these challenges, Silva[45] proposed a framework using high-level Petri nets, which extend basic Petri nets with concepts of “color”, “time”, and “hierarchy”, enabling the representation and analysis of complex business processes[46].
Through extensive research and practical applications, Petri nets have been widely adopted for process analysis across multiple disciplines. They have demonstrated strong capabilities in modeling and simulating biological systems[47]. For example, George et al. employed colored fuzzy Petri nets to model biological systems and assess the effects of associated uncertainties[48]. Petri nets have also found applications in social sciences. Wang et al.[49] proposed that a timed Petri net model can evaluate mental workload during multitasking, providing quantitative and personalized assessments. In engineering, the design of flexible manufacturing systems leverages high-level Petri nets, and the modeling and simulation of flexible manufacturing cells can be achieved using the layered approach of colored timed Petri nets[50].
Timed Petri nets are well suited for describing and analyzing complex logical relationships, such as concurrency and synchronization[51], as well as for detecting, analyzing, and resolving problems in processes[51]. They are particularly effective for representing time-sensitive processes[51,52], possess strong simulation capabilities, and can be employed for process simulation[53]. Timed Petri nets provide a mathematical representation of discrete parallel systems, focusing on the state changes within these systems. They have evolved into a graphical, computer-oriented modeling language, making them highly suitable for process analysis and research within the context of platform governance.
3. Reengineering the Governance Process of Construction Engineering Public Service
3.1 Activity framework
In business process reengineering theory, the S-A framework integrates the stages and activities of reengineering, providing a systematic structure for government process reengineering methods. Given that business process reengineering can be applied to the public service governance of construction engineering, the S-A framework is adopted as a blueprint for developing a guiding framework for reengineering the governance process in this domain. The activity framework for the governance phase of construction engineering public services is illustrated in Figure 1.

Figure 1. Framework of activities in the governance phase of construction engineering public services.
3.2 Target setting
The current governance process for construction engineering public services is largely traditional, as reflected in both governance methods and organizational structures. Accordingly, the goals of reengineering the construction project public service process are twofold. First, to leverage information technology to digitize certain governance activities, thereby accelerating the flow of governance information and maximizing the value of data. Second, to break down the boundaries between governance levels, departments, and functions, integrate governance processes, and enhance overall governance effectiveness.
3.3 Implementation phase
3.3.1 Modeling
The graphic definition in timed Petri nets is as follows.
P
1) “○”: Circular nodes represent the P element, i.e. Place, representing occurrence conditions, locations, queues, etc.[44].
T
2) “▄”: Square nodes represent T elements, i.e. transitions, representing events, actions, sending and receiving of messages, etc.[44].
3) “→”: The arrow represents the F element, which is an arc. Arcs are used to connect repositories with transitions, indicating the direction of resource flows and activity processes[44].
4) The token represents the number of resources in the repository and is indicated by a small black dot “●”[44].
P
5) “⊙” Represents a combination of system resources and a repositories.
T1
6) “7▄”: The time is attached to the T element, indicating that the time delay of the discrete transition T1 is 7 units (e.g., seconds, minutes). The specific unit is set in the modeling software).
3.3.2 Diagnose the traditional process
Describing traditional process activities involves documenting or modeling the existing government process for further analysis. Timed Petri nets are particularly well suited for describing and designing the public service governance process of construction engineering. It should be noted that the activities discussed here are general activities within the public service governance process of construction projects, with time delays represented by the variable t. Figure 2 illustrates the traditional process model, and Table 2 lists the subjects and activities of this traditional model.
| Place | Governance Body | Transition | Governance Activity | Time delay/day |
| P1 | Public sector1 | T1 | Routine inspections and spot checks on the governance of public services. | t1 |
| P5 | Public sector2 | T5 | t5 | |
| P9 | Public sector3 | T9 | t9 | |
| P13 | Service subject | T13 | Supervise the governance of public services and report to relevant departments. | t13 |
| P14 | Departments that accepted the report | T14 | Go to the construction project site to verify | t14 |
| P2 | Public sector1 | T4 | Record eligibility. | t4 |
| T2 | Random checks are unqualified, rectification is required, and administrative penalties are imposed. | t2 | ||
| P6 | Public sector2 | T8 | Record eligibility. | t8 |
| T6 | Random checks are unqualified, rectification is required, and administrative penalties are imposed. | t6 | ||
| P10 | Public sector3 | T12 | Record eligibility. | t12 |
| T10 | Random checks are unqualified, rectification is required, and administrative penalties are imposed. | t10 | ||
| P15 | Departments that accepted the report | T17 | Record eligibility. | t17 |
| T15 | Random checks are unqualified, rectification is required, and administrative penalties are imposed. | t15 | ||
| P3 | Illegal construction site | T3 | Correct the construction behavior and reply to relevant departments. | t3 |
| P7 | T7 | t7 | ||
| P11 | T11 | t11 | ||
| P16 | T16 | t16 | ||
| P18 | Construction site | T18 | Continue to provide public services. | t18 |
The traditional governance mode of construction engineering public services has several drawbacks. First, the division of labor in the public sector is overly segmented, fragmenting the overall process. Second, there is no clear separation between political and social functions, leading to an expansion of public roles. Third, the governance information transmission channels are too long to respond promptly to public needs. Fourth, the absence of an information platform for resource sharing results in a low degree of process digitization. Fifth, the public sector lacks real-time supervision, which easily creates “blind spots” in governance.
3.3.3 Design a new process
To address the shortcomings of the traditional process, the new governance process should be designed from three perspectives. First, streamline processes and reduce non-value-added activities. Traditional governance processes in construction engineering public services that are highly similar should be consolidated to minimize the use of redundant resources and enhance governance efficiency. Governance data can be automatically collected through platform-linked equipment, transmitted via the platform, and coordinated around the platform, allowing inefficient processes to be optimized.
Second, appropriately outsource public service governance. The public sector should concentrate on decision-making and management, while routine administrative tasks and highly technical projects can be delegated to third-party organizations.
Third, establish a public service governance platform. First, install automated equipment at construction sites to upload supervision data in real time, ensuring continuous data collection. Second, develop a governance platform database to store this data, guaranteeing the integrity and usability of governance outcomes. Finally, integrate existing governance tasks and service mechanisms to form a comprehensive governance platform. Simultaneously, connect various public departments, relevant construction units, and the public to the platform to promote collaboration and co-governance in construction engineering public services.
The technologies and management approaches described above can effectively address the shortcomings of the traditional governance process, as illustrated in Figure 3. Timed Petri nets are then used to construct a graphical representation of the new process. Table 3 presents the subjects and activities of the platform governance mode, modeling public service management in construction projects with Timed Petri nets. The table lists key participants, the transitions representing their actions, and the time delays associated with each. In this mode, the public service governance platform plays a central role by instantly (0 days) collecting governance data, recording service quality, detecting violations, and notifying construction units for rectification. Public sector departments can then access platform data to monitor governance, significantly reducing delays compared with the traditional process.
| Place | Governance Body | Transition | Governance Activity | Time delay/day |
| P1 | Construction site | T1 | Standardize construction behavior and provide public services. | t1 |
| P2 | Public service governance platform | T2 | Collect governance data and record the governance of public services. | 0 |
| P3 | Public sector1 | T3 | View the data and grasp the governance of public services. | t3 |
| P4 | Public sector2 | T4 | t4 | |
| P5 | Public sector3 | T5 | t5 | |
| P6 | Service subject | T6 | t6 | |
| P7 | Public service governance platform | T7 | Detect violations of construction units and notify them of rectification. | 0 |
4. Evaluation of the Public Service Platform Governance Mode of Construction Engineering
4.1 Evaluation method
The evaluation of government processes should consider two aspects: the achievement of project objectives and the execution efficiency of the reengineered process. Based on the goals of the reengineering project, two qualitative indicators are established: whether information technology is employed in governing public services, and whether governance processes are effectively integrated.
From the perspective of execution efficiency, quantitative indicators are formulated. Specifically, some quantitative measures are necessary to assess the efficiency of government processes. In this study, the cycle time of governance processes is selected as a quantitative indicator to compare the execution efficiency of the new and traditional governance processes and to evaluate whether the platform governance mode enhances public service efficiency. Table 4 presents the evaluation index system for the platform governance mode, defining the indicators used to measure the execution efficiency of construction public service management.
| Evaluation index | Index description | Unit | Evaluation criteria | How to obtain |
| Information technology usage | Investigate the response of the public sector to the digital governance of public services in construction projects. | - | Better to use information technology. | Interview Record |
| Integration of inefficient governance processes | Examine the effectiveness of reengineering the new process. | - | Better to reduce inefficient processes. | Interview Record |
| Reduced time cost of governance process | Reflect the degree of improvement in the governance mode. The formula is the time cost of the governance platform mode minus the time cost of the traditional mode. | day | Better to reduce time cost. | Timed Petri nets simulation |
4.2 Evaluation results
Use of information technology. Following the reengineering of the governance process, a construction engineering public service governance platform was established. Intelligent equipment was installed and deployed at construction sites to collect data, automating certain management activities. Simultaneously, the governance platform provides data integration and analysis services to other participants, and portions of the governance work are conducted online. The application of information technology is therefore highly effective.
Results for the integration of inefficient governance processes. First, the governance platform exerts a centralizing effect, addressing the lack of cooperation observed in traditional public service governance and fostering a platform-centered governance mode. Second, the platform provides data integration and data value-added services for governance entities, replacing the decentralized collection and processing of data in the original governance process. As a result, the integration of inefficient governance processes is significantly improved.
Results for the time cost for the governance process. Timed Petri nets are employed to simulate the governance process and quantify the time savings achieved under the platform governance mode. To provide a reasonable assessment, the time cost of a single cycle and multiple cycles in both the traditional governance mode and the platform governance mode was compared as follows:
(1) Cycle once
Compared with traditional single-cycle governance activities, the platform governance mode optimizes two key aspects of governance work, reducing the time cost of the process. First, inspections of public service governance in construction projects are streamlined. Second, two low-efficiency activities, namely the public sector’s recording of governance actions and the construction unit’s rectification and response tasks, are reduced. Overall, the construction engineering public service platform governance mode effectively lowers the time cost in a single cycle.
(2) Cycle multiple times
Unlike the traditional governance mode, the platform governance mode enables simultaneous supervision of all construction projects connected to the platform. The platform governance mode is summarized in Table 5, and the multi-cycle process is illustrated in Figure 4.
| Place | Governance Body | Transition | Governance Activity | Time delay/day |
| P1 | Construction site1 | T1 | Standardize construction behavior and provide public services | t1 |
| P8 | Construction site2 | T8 | t8 | |
| PN | Construction siteN | TN | tN | |
| P2 | Public service governance platform | T2 | Collect governance data and record the governance of public services. | 0 |
| P3 | Public sector1 | T3 | View the data and grasp the governance of public services. | t3 |
| P4 | Public sector2 | T4 | t4 | |
| P5 | Public sector3 | T5 | View the data and grasp the governance of public services. | t5 |
| P6 | Service subject | T6 | t6 | |
| P7 | Public service governance platform | T7 | Detect violations of construction units and notify them of rectification. | 0 |
If the governance process cycles n times (n is a positive integer), the time cost per cycle in the traditional mode is T1. The total governance time is the sum of the time costs across all cycles, nT1. In contrast, if the time cost per cycle in the platform governance mode is T2, the total time cost remains T2. (nT1 - T2) >> 0, that is, after multiple cycles, the time cost of governance mode is significantly reduced.
In addition to time efficiency, the economic implications of the platform governance model should be considered. Implementing and operating the platform requires substantial initial investments, including system development, hardware deployment, and data integration, along with ongoing maintenance costs. Traditional governance, by comparison, relies largely on administrative labor and entails relatively lower upfront expenditures. Although the platform model offers considerable time savings, which could translate into long-term economic benefits through enhanced efficiency and reduced delays, the trade-off between initial costs and operational advantages remains important. Therefore, future studies should conduct a thorough cost-benefit analysis to provide decision-makers with a comprehensive basis for evaluating the feasibility of adopting the platform governance approach.
5. Case Study: the “Nanjing Mode”
5.1 Governance process reengineering
5.1.1 Preparation and diagnosis
To validate the proposed governance mode, Jiangsu Province was selected as the case study due to its representative construction activities and challenges in pollution management. The first step is to analyze the governance process of the traditional construction engineering public service mode. In this traditional mode, the Ecology and Environment Bureau and the Urban and Rural Construction Committee are responsible for preventing and controlling dust and noise pollution, while the public plays a supervisory role.
(1) The main responsibilities of the Ecology and Environment Bureau in the traditional mode focus on dust and noise control. Relevant tasks include daily supervision, special inspections, and handling reports or complaints from the public. Figure 5 illustrates the traditional dust and noise governance process of the Ecology and Environment Bureau, and Table 6 lists the subjects and activities involved in this process.

Figure 5. Ecology and Environment Bureau on the process of traditional dust (noise) governance mode.
| Place | Governance Body | Transition | Governance Activity | Time delay/day |
| P1 | Construction site | T1 | Carry out construction activities. | 0 |
| P2 | Ecology and Environment Bureau | T2 | Spot check the emission of dust (noise), if qualified, record the inspection. | 3 |
| T3 | Spot check the emission of fugitive dust (noise), issue a rectification notice to the construction unit, and impose administrative penalties on serious violations. | 3 | ||
| P3 | Illegal construction site | T4 | Accept rectification. | 0 |
| T6 | Refuse to rectify. | 0 | ||
| P4 | T5 | Rectify and reply. | 7 | |
| P9 | Ecology and Environment Bureau | T12 | Record summary. | 1 |
| P5 | T7 | Issue a letter of supervision to the Urban and Rural Construction Committee. | 1 | |
| P6 | Urban and Rural Construction Committee | T8 | Investigate and verify that the emission has not exceeded the standard, and record summary; reply to the Ecology and Environment Bureau. | 1 |
| T9 | Investigate and verify that the emission exceeds the standard and order it to rectify and impose administrative penalties on serious violations. Record summary and reply to the Ecology and Environment Bureau. | 1 | ||
| P7 | Ecology and Environment Bureau | T10 | Record summary. | 1 |
| P8 | T11 | 1 | ||
| P10 | The public | T13 | Supervise the control of dust (noise). | 0 |
| P11 | T14 | Good governance and continuous supervision. | 0 |
(2) In the traditional mode, the Urban and Rural Construction Committee primarily addresses dust and noise governance in public services. The Committee obtains information on pollution emissions from construction projects through daily inspections and supervision by other departments. Figure 6 presents the traditional dust and noise governance process of the Urban and Rural Construction Committee, and Table 7 lists the relevant subjects and activities.

Figure 6. Urban and Rural Construction Committee on the process of traditional dust (noise) governance mode.
| Place | Governance Body | Transition | Governance Activity | Time delay/day |
| P1 | Construction site | T1 | Carry out construction activities. | 0 |
| P2 | Urban and Rural Construction Committee | T2 | Spot check the emission of dust (noise), if qualified, record the inspection. | 2 |
| T3 | Spot check the emission of fugitive dust (noise), issue a rectification notice to the construction unit, and impose administrative penalties on serious violations. | 2 | ||
| P3 | Illegal construction site | T4 | Rectify and reply. | 7 |
| P4 | Urban and Rural Construction Committee | T5 | Record summary. | 1 |
| P5 | T6 | Imaginary transition. | 0 |
Through collaboration with Nanjing Urban Construction Group, multiple shortcomings in the traditional governance mode of construction project public services were identified: (1) The public sector is fragmented, leading to differences in the provision of public services across construction projects; (2) Multi-level management by different public departments creates unclear boundaries of power and responsibility; (3) Non-construction departments have public service governance needs but lack the capacity to formulate relevant policies and standards for construction projects independently; (4) Manual inspection methods are discrete and do not provide continuous, all-weather supervision; (5) Construction project sites are numerous and widely distributed, making manual spot checks highly inefficient in terms of labor, financial resources, and time.
5.1.2 Process reengineering analysis
(1) “Nanjing mode” dust control process
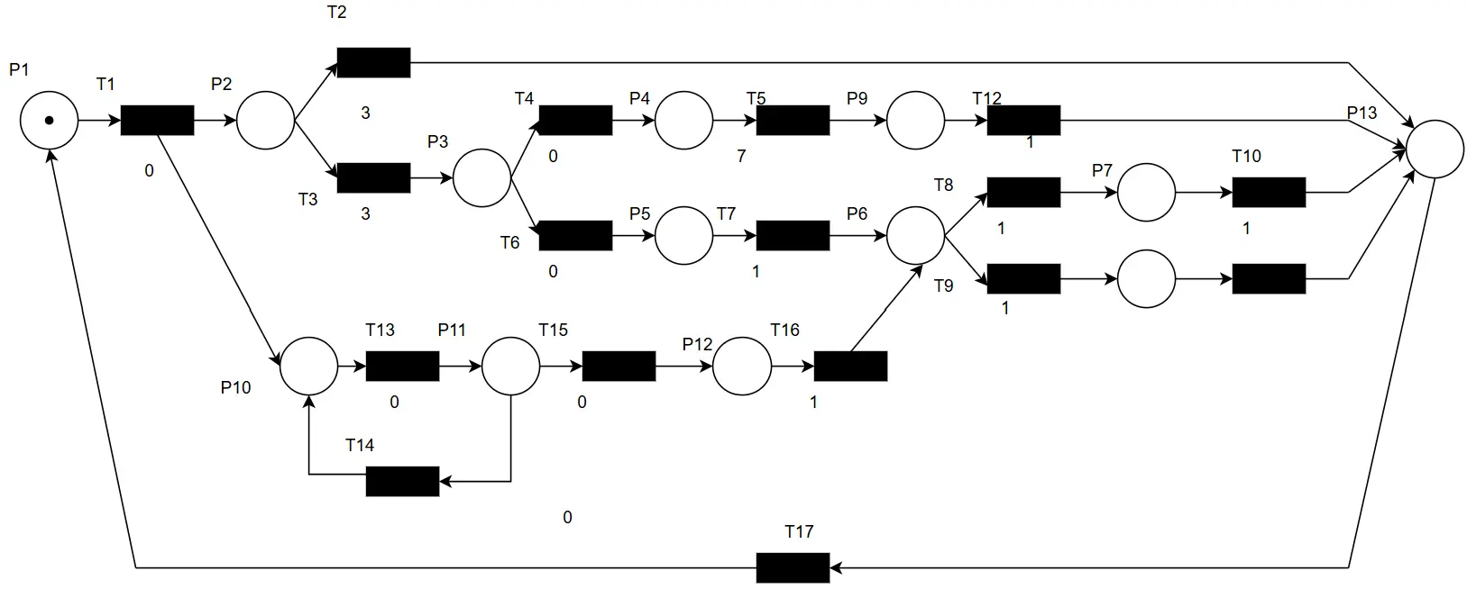
The dust control process in the “Nanjing Mode” consists of two components: construction site dust control and washing of engineering transportation vehicles (muck trucks). Relevant data were obtained from a survey conducted by Nanjing Jingzhu Wisdom Technology Co. Ltd. For activities taking less than one day, the duration is rounded up. In the “Nanjing Mode”, if a project’s dust emission exceeds 150μg/m3, an alarm is triggered. If the emission continues to exceed the standard for 30 minutes, the alarm is sent to the Urban and Rural Construction Committee and the Ecology and Environment Bureau; for simplicity, the 30-minute interval is ignored in this analysis. Based on timed Petri nets, the “Nanjing Mode” dust control process model was constructed. Figure 7 illustrates this process, and Table 8 is the subjects and activities involved. Table 8 specifies the governance bodies (places) responsible for each activity (transitions) and the associated time delays in days. The table covers both construction site dust management and muck truck washing, including monitoring, early warnings, rectification, and reporting, and shows the sequence of actions from real-time monitoring to issuing penalties and recording results in the supervision platform database.
| Place | Governance Body | Transition | Governance Activity | Time delay/day |
| P1 | Construction site | T1 | Carry out construction activities. | 0 |
| P2 | Construction company | T2 | Carry out project construction. | 0 |
| P3 | Nanjing Smart Construction Supervision Platform | T3 | Real-time monitoring of dust pollution emissions, and the test results are qualified. | 0 |
| T4 | Real-time monitoring of dust pollution emissions, if the test results are unqualified, an early warning will be issued, and the manager will be notified. | 0 | ||
| P4 | Illegal construction site | T5 | Rectify the dust emission in time. | 0 |
| P5 | Nanjing Smart Construction Supervision Platform | T6 | Continuously monitor the dust emission, and successfully reduce the dust within 30 minutes. | 0 |
| T7 | Continuously monitor the emission of fugitive dust. After 30 minutes, the emission value of dust still exceeds the standard. Remind the manager to make corrections and notify the relevant competent authority. | 0 | ||
| P6 | Ecology and Environment Bureau | T8 | Issue a rectification notice to the construction site, and give administrative penalties to serious violations. | 1 |
| P7 | Urban and Rural Construction Committee | T9 | Issue a rectification notice to the construction site, and give administrative penalties to serious violations. | 1 |
| P8 | Illegal construction site | T10 | Rectify and reply. | 7 |
| P9 | Nanjing Smart Construction Supervision Platform | T11 | Governance results are entered into the dust database, and charts are generated for all parties to read. | 0 |
| P10 | Muck Transport Unit | T12 | Transport construction waste | 0 |
| P11 | Nanjing Smart Construction Supervision Platform | T14 | Monitor whether the muck truck enters and exits the site for flushing, and the test results are qualified | 0 |
| T13 | Monitor whether the muck truck enters and exits the site for flushing, if the test result is unqualified, an alarm is issued and notify the manager. | 0 | ||
| P12 | Urban Management Bureau | T15 | Issue a rectification notice to the muck transportation unit, and administrative penalties will be imposed on serious violations. | 1 |
| P13 | Urban and Rural Construction Committee | T16 | Issue a rectification notice, and administrative penalties will be imposed on serious violations. | 1 |
| P14 | Illegal muck Transport Unit | T17 | Rectify and reply. | 3 |
| P15 | Nanjing Smart Construction Supervision Platform | T18 | Governance results are entered into the database, and charts are generated for all parties to consult. | 0 |
| P16 | T19 | Imaginary transition. | 0 |
(2) “Nanjing Mode” Noise Control Process
The noise control process in the “Nanjing Mode” involves the Ecology and Environment Bureau, the Urban and Rural Construction Committee, and the relevant construction units. Data related to noise control were obtained through investigation. Activities with durations shorter than one day are rounded up. Between 22:00 and 06:00, two consecutive periods of 15 minutes exceeding 65 decibels within a 60-minute interval are treated as a noise alarm. Similar to the dust control process, the 30-minute interval is ignored in this analysis. Based on timed Petri nets, the “Nanjing Mode” noise control process model was constructed, as shown in Figure 8, with the corresponding subjects and activities listed in Table 9. Table 9 specifies the governance bodies responsible for each activity, their actions, and the associated time delays. The table encompasses monitoring, alarm triggering, rectification, penalties, and recording of results in the supervision platform.
| Place | Governance body | Transition | Governance Activity | Time delay/day |
| P1 | Construction site | T1 | Carry out construction activities and project construction. | 0 |
| P2 | Nanjing Construction Engineering Smart Site Supervision Platform | T2 | Real-time monitoring of noise pollution emissions, and the test results are qualified. | 0 |
| T3 | Real-time monitoring of noise pollution emissions, the detection results are unqualified, An alarm is issued, and the manager and relevant departments are notified. | 0 | ||
| P3 | Illegal construction site | T4 | Rectify noise emissions in time. | 0 |
| P4 | Ecology and Environment Bureau | T5 | Issue a rectification notice to the construction unit, and administrative penalties will be imposed on serious violations. | 1 |
| P5 | Urban and Rural Construction Committee | T6 | Issue a rectification notice to the construction unit, and administrative penalties will be imposed on serious violations. | 1 |
| P6 | Illegal construction site | T7 | Rectify and reply. | 7 |
| P7 | Nanjing Construction Engineering Smart Site Supervision Platform | T9 | Governance results are entered into the database, and charts are generated for all parties to consult. | 0 |
| P8 | Nanjing Construction Engineering Smart Site Supervision Platform | T10 | Imaginary transition. | 0 |
5.2 Evaluation
Drawing on the evaluation method previously used for construction project public service platform governance, the “Nanjing Mode” is assessed here based on three indicators.
Firstly, the use of information technology. The Nanjing Smart Supervision Platform employs a range of advanced information technologies to build a multi-layered governance system. The “Nanjing Mode” leverages this platform as the foundation for public service governance, effectively utilizing modern information technology. The evaluation of the information technology usage indicator for the “Nanjing Mode” is excellent.
Secondly, the integration of inefficient governance processes. In the traditional governance mode, information sharing among public departments in Nanjing is limited, with issues such as overlapping management and unclear boundaries of responsibility. The “Nanjing Mode” addresses these problems by consolidating governance processes scattered across various departments into a unified workflow, thereby reducing inefficiencies. The evaluation of the inefficient process integration indicator is excellent.
Finally, reduction in governance process time. For the traditional governance mode, a simulation based on timed Petri nets was conducted on the dust (noise) management process of the Ecological Environment Bureau. The simulation considered routine inspections as the primary process, supplemented by mass supervision procedures. Each process cycle corresponds to one inspection by the Bureau, which requires an average of 6.45 days. Similarly, the Urban and Rural Construction Committee’s traditional dust (noise) control process takes 5.49 days per cycle.
In summary, under the traditional governance mode of construction engineering public services, the average time required for the Ecological Environment Bureau’s governance process is 6.45 days, while that for the Urban and Rural Construction Committee is 5.49 days. Assuming there are n construction sites in the city (n being a positive integer), the total time cost of the traditional governance mode is (6.45 + 5.49)n = 11.94n days.
For the governance process under the “Nanjing Mode”, simulation tests based on timed Petri nets indicate that one cycle of the dust control process takes 3.11 days, and one cycle of the noise control process takes 3.02 days.
Unlike the traditional mode, the “Nanjing Mode” supervises all construction projects connected to the platform simultaneously, integrating projects across the city for concurrent governance. Consequently, the total time cost for simultaneous governance of all projects is 3.11 + 3.02 = 6.13 days.
The time reduction achieved by the “Nanjing Mode” is therefore T = 6.13 - 11.94n days, where n is a positive integer and T < 0. The evaluation of the time reduction indicator is rated as excellent.
6. Discussion
6.1 Platform mode
The findings of this study indicate that the construction pollution platform governance mode can enhance mutual trust among stakeholders participating in the platform. At its core, the platform governance mode aims to establish trust between previously unacquainted parties. This observation aligns with prior research demonstrating that platform governance mechanisms, such as transparent information disclosure and reputation systems, effectively foster trust among stakeholders who were previously unconnected in both digital and construction-related contexts[54]. Moreover, due to the network externalities inherent in two-sided markets, once a critical participation threshold is surpassed, a “winner-takes-all” scenario may arise. Similar dynamics have been documented in other two-sided markets, where exceeding the threshold rapidly drives adoption and consolidates market dominance, particularly in public-private digital platforms[55].
Through the construction pollution governance platform, relevant data are released by the construction unit in a timely manner, allowing the public service sector to monitor the pollution situation and ensuring both the timeliness and authenticity of the information. Empirical evidence from digital construction pollution supervision in Nanjing indicates that real-time public data release significantly improves monitoring effectiveness and reduces instances of non-compliance[56]. As a form of social coordination network based on trust and mutual benefit, network governance under the platform mode enables interactive negotiation, builds trust, promotes cooperation, reduces conflicts, and mitigates the limitations of bounded rationality, thereby enhancing value-added governance outcomes. Prior research emphasizes that such collaborative arrangements align diverse stakeholder incentives with collective environmental objectives[57]. Establishing a trust mechanism within the platform governance mode is essential for reducing data distortion and the risks associated with governance cooperation, fostering altruistic behavior among stakeholders, and constraining self-interested actions. Sufficient institutional trust can be achieved by strengthening accountability systems to regulate stakeholder behavior and increase confidence in the governance framework, as well as by minimizing risks associated with public use of information technology. Previous studies highlight that robust accountability mechanisms and risk-mitigation strategies are critical for maintaining public trust in governance platforms[58].
In addition, the core effectiveness of the platform model depends not only on the timely release of data but also on their authenticity and integrity. Technical measures, including automated data validation, blockchain-based audit trails, and anomaly detection algorithms, can prevent data falsification and ensure that uploaded information accurately reflects on-site conditions. Furthermore, the platform should establish clear metrics to define and evaluate “regulatory effectiveness”, such as the detection rate of violations, the success rate of rectifications, and the reduction of repeat offenses. Incorporating these indicators enables a more comprehensive assessment of platform performance beyond process speed, allowing policymakers and platform operators to continuously monitor, adjust, and improve governance practices. Such mechanisms also enhance stakeholder confidence that compliance data are reliable and that regulatory actions are both fair and effective.
6.2 Price structure
Cultivating trust alone is insufficient to encourage construction units to upload construction pollution data. Previous studies on two-sided environmental platforms have shown that even with high levels of trust, participation rates remain low without tangible economic incentives, such as subsidies or fee reductions[59]. To effectively promote construction pollution governance, the public service sector should collaborate with platform operators to design a reasonable price structure and provide appropriate subsidies to construction units. For construction units, the purchase of data acquisition equipment and the process of uploading data to the platform entail additional costs and workload. Without sufficient incentives or subsidies, these units may be reluctant to cooperate. Therefore, to facilitate the digital transformation of the construction industry, public service sectors should implement preferential policies or provide price subsidies to construction units that actively participate in construction pollution governance. As the number of participating construction units increases, the network externalities of the platform become more pronounced. Similar effects have been observed in other regulated industries, where increased participation on one side of the platform enhances utility for the other side, reinforcing adoption through a positive feedback loop[60]. The internal network externality of construction companies is influenced by several factors: it weakens with increases in policy subsidies, differentiated construction, and the proportion of companies with differentiated construction qualifications, but strengthens with a rise in the proportion of companies suspended for rectification. Additionally, platform registration fees for construction companies increase with higher policy subsidies and decrease with a higher proportion of suspensions and corresponding penalties[61].
As a public service platform, the Nanjing Construction Engineering Smart Site Supervision Platform relies heavily on policy support and guidance throughout its construction and operational processes, making policy factors a key component of its price structure. The platform’s current charging scheme includes a one-time payment for construction companies to purchase equipment and a one-time fee for government departments to acquire services. The utility for construction companies encompasses policy subsidies, differentiated construction, stoppage rectification, internal network externalities, cross-network externalities, and the costs associated with purchasing equipment. For the public, utility includes ecological welfare, cross-network externalities, and the amortized investment cost indirectly paid to the platform through taxes. The platform’s cost-effectiveness incorporates registration fees (covering equipment purchase and investment) for both parties, as well as labor, equipment, and communication costs associated with providing supervision and data services to users on both sides. By integrating the specific costs and benefits of the smart construction site supervision platform with the previously established price structure model, the price structure of the Nanjing Construction Project Smart Site Supervision Platform is illustrated in Figure 9.

Figure 9. The price structure model of Nanjing construction project smart site supervision plat-form.
Jiangsu Province has the highest construction output value in China, and as its provincial capital, Nanjing provides a noteworthy case study. Overall, policy has exerted a significant influence on the price structure of the Nanjing Construction Project Smart Site Supervision Platform. Policy measures not only facilitate the platform in surpassing its critical capacity but also optimize both the platform’s and the public’s interests by adjusting the magnitude and distribution of policy support.
In addition, the design of price incentives should take into account the platform’s capacity to enhance regulatory effectiveness. For instance, subsidizing the use of high-accuracy sensors or certified data acquisition devices encourages construction units to upload more reliable data, thereby reducing the risk of falsification. By linking financial incentives to measurable regulatory outcomes, such as higher detection rates of violations or more effective rectifications, the platform aligns economic motivations with governance objectives. This approach ensures that participation is both widespread and contributes to concrete improvements in compliance and environmental outcomes.
6.3 Contribution to existing studies
This study confirms that platform governance mechanisms, including transparent information disclosure, reputation systems, and real-time public data release, effectively foster trust among stakeholders. Evidence from the Nanjing Construction Engineering Smart Site Supervision Platform demonstrates that institutional trust and robust accountability systems are crucial for reducing data distortion and promoting cooperative governance. These findings underscore the role of social coordination networks in enhancing collaboration and overcoming the limitations of bounded rationality in digital environmental governance.
Beyond trust, the analysis highlights the economic dimension of platform participation. Policy incentives, such as subsidies, differentiated construction qualifications, and penalties, interact with platform fees and network externalities to encourage active engagement, as illustrated in Figure 9. These challenges the notion that participation depends solely on technological transparency or reputational mechanisms, suggesting that a holistic approach integrating social, economic, and institutional factors is necessary to maximize both platform and public benefits.
7. Conclusions, Limitations, and Contribution
7.1 Conclusions
This paper examines the feasibility of using a platform to control construction pollution and develops a theoretical model from the perspective of platform economy theory and public service governance. The real-time information provided by the construction pollution governance platform, including pollution severity, duration, and whether the construction unit has undertaken rectification, addresses long-standing challenges such as pervasive information asymmetry and inefficient information exchange. The model was tested and evaluated using the Nanjing Construction Engineering Smart Site Supervision Platform along with other available data. Evaluation results indicate that the platform leverages modern information technology to govern public services, enabling full sharing of governance information, effectively integrating inefficient governance processes, and significantly reducing governance time. This governance mode overcomes the limitations of traditional approaches and encourages construction units to share data through the establishment of a trust mechanism and a reasonable price structure, thereby improving the efficiency of the public service sector. Additionally, it activates the platform’s network externalities, creating a construction pollution governance virtuous cycle and promoting the sustainable development of the construction industry.
Building on these findings, the case-based analysis demonstrates that the Nanjing platform both aligns with and extends trends identified in recent studies. While previous research emphasizes the potential of digital platforms to enhance transparency and governance efficiency, the results show tangible impacts, including reduced information asymmetry, increased voluntary data sharing, and the realization of network externalities. The case also highlights context-specific factors, such as trust mechanisms and pricing structures, suggesting potential refinements to traditional platform governance models.
7.2 Limitations
This study, like all research, has several limitations. One limitation is that the discussion of public service in construction engineering is not comprehensive. The authors focus on the public service sector’s role in construction pollution governance and consider only two types of pollution: noise and dust. Future research could more thoroughly examine the content of public service governance in construction engineering to broaden the scope of the governance mode, improve its implementation, and better align it with real-world conditions. Another limitation is the selection of evaluation indicators, which is not fully comprehensive. The fundamental goal and value of public service governance in construction engineering is to enhance people’s well-being, yet public value is difficult to assess both qualitatively and quantitatively. The evaluation method developed in this paper selects indicators from the perspective of public service governance process reengineering to provide a preliminary assessment of the platform mode. Future research could incorporate measures of public value and conduct in-depth analyses of social welfare and social costs from an economic perspective.
A further limitation concerns the applicability and reliability of the modeling approach. The use of Timed Petri nets requires simplifying complex interactions into discrete states and transitions, potentially omitting certain uncertainties and nonlinear feedbacks present in actual governance processes. In addition, the estimation of time delays and transition parameters relies partly on subjective judgment and available data, which may affect the precision of the evaluation results. Future studies could address these issues by incorporating empirical validation, sensitivity analysis, or complementary modeling techniques to enhance the robustness of the findings.
7.3 Contribution
The primary contribution of this paper is the development of a construction pollution platform governance mode from a public service perspective, along with a corresponding evaluation method. Timed Petri nets are employed to model, analyze, and assess the platform, providing a theoretical foundation for the digital transformation and upgrading of the construction industry based on public data, such as construction pollution data. This study also extends the application of Timed Petri nets within the construction sector, demonstrating how this modeling tool can effectively capture the dynamic and stochastic characteristics of governance platforms.
Furthermore, by integrating public service concepts with digital governance mechanisms, the proposed platform governance model bridges the gap between theory and practice. It offers policymakers, regulators, and practitioners a structured approach to evaluate and enhance governance strategies for construction pollution, thereby improving transparency, efficiency, and accountability. This contribution advances academic discussions on platform governance and digital transformation, while also providing practical guidance for promoting sustainable development goals in the construction industry.
Authors contribution
Wu W, Huang Q: Conception, design, acquisition, interpretation of data.
Hao J, Zhao W: Revised the manuscript and analysis.
Conflicts of interest
Jianli Hao is an Editorial Board member of Journal of Building Design and Environment. The other authors declare no conflicts of interest.
Ethical approval
Not applicable.
Consent to participate
Not applicable.
Consent for publication
Not applicable.
Availability of data and materials
The data presented in this study are available on request from the corresponding author.
Funding
This work was supported by National Key R&D Program of China (2023YFC3804300). It was also supported by National Natural Science Foundation of China (Project No: 72271052). The authors would also like to acknowledge the support from the Key Special Fund Exploring Program (KSF-E-29) from Xian Jiaotong-Liverpool University and Suzhou Industrial Park, China.
Copyright
© The Author(s) 2025.
References
-
1. Ateeq M, Zhang N, Zhao W, Gu Y, Wen Z, Zheng C, et al. Enhancing construction waste transportation management using internet of things (IoT): an evaluation framework based on AHP-FCE method. Buildings. 2025;15(8):1381.[DOI]
-
2. Remizov A, Tukaziban A, Yelzhanova Z, Junussova T, Karaca F. Adoption of green building assessment systems to existing buildings under Kazakhstani conditions. Buildings. 2021;11(8):325.[DOI]
-
3. Hossain MU, Ng ST. Strategies for enhancing the accuracy of evaluation and sustainability performance of building. J Environ Manage. 2020;261:110230.[DOI]
-
4. Trindade EL, Lima LR, Alencar LH, Alencar MH. Identification of obstacles to implementing sustainability in the civil construction industry using bow-tie tool. Buildings. 2020;10(9):165.[DOI]
-
5. Hao JL, Zhao W, Gong G, Ma W, Li L, Zhang Y. Catalyzing sustainability through prefabrication: integrating BIM-LCA for assessing embodied carbon in timber formwork waste. Sustain Chem Pharm. 2024;41:101698.[DOI]
-
6. Song P, Wu L, Zhao W, Ma W, Hao J. Life cycle sustainability assessment: an index system for building energy retrofit projects. Buildings. 2024;14(9):2817.[DOI]
-
7. Guo N, Hao JL, Zheng C, Yu S, Wu W. Applying social cognitive theory to the determinants of employees’ pro-environmental behaviour towards renovation waste minimization: in pursuit of a circular economy. Waste Biomass Valor. 2022;13(9):3739-3752.[DOI]
-
8. Yang F, Ye B, He K, Ma Y, Cadle SH, Chan T, et al. Characterization of atmospheric mineral components of PM2.5 in Beijing and Shanghai, China. Sci Total Environ. 2005;343(1-3):221-30.[DOI]
-
9. Zhang X, Shen L, Zhang L. Life cycle assessment of the air emissions during building construction process: a case study in Hong Kong. Renew Sustain Energy Rev. 2013;17:160-169.[DOI]
-
10. Li M, Wu C, Zhang Y, Jiang Y, Lin J, Xiang J. Effects of occupational dust exposure on the health status of workers in China. Sci Rep. 2025;15(1):19487.[DOI]
-
11. Li CZ, Zhao Y, Xu X. Investigation of dust exposure and control practices in the construction industry: implications for cleaner production. J Clean Prod. 2019;227:810-824.[DOI]
-
12. Wu W, Lyu Y, Zheng C, Hao JL, Shen S, Yu S. Digital supervision in construction pollution control: utilizing advanced information models for enhanced supervision and sustainability. Environ Technol Innov. 2025;37:104038.[DOI]
-
13. Hammad AW, Akbarnezhad A, Rey D. A multi-objective mixed integer nonlinear programming model for construction site layout planning to minimise noise pollution and transport costs. Autom Constr. 2016;61:73-85.[DOI]
-
14. Stojanovic N, Belhocine A, Abdullah OI, Grujic I. The influence of the brake pad construction on noise formation, people’s health and reduction measures. Environ Sci Pollut Res. 2023;30(6):15352-15363.[DOI]
-
15. Ning X, Qi J, Wu C, Wang W. Reducing noise pollution by planning construction site layout via a multi-objective optimization model. J Clean Prod. 2019;222:218-230.[DOI]
-
16. Soltanzadeh A, Mahdinia M, Omidi Oskouei A, Jafarinia E, Zarei E, Sadeghi-Yarandi M. Analyzing health, safety, and environmental risks of construction projects using the fuzzy analytic hierarchy process: a field study based on a project management body of knowledge. Sustainability. 2022;14(24):16555.[DOI]
-
17. Milind Mehta S, Chang S, Oh HJ, Kwon JH, Kim S. An investigation of construction project efficiency: perception gaps and the interrelationships of critical factors. Buildings. 2022;12(10):1559.[DOI]
-
18. Zhao W, Hao JL, Gong G, Fischer T, Liu Y. Applying digital technologies in construction waste management for facilitating sustainability. J Environ Manage. 2025;373:123560.[DOI]
-
19. Ma W, Liu T, Hao JL, Wu W, Gu X. Towards a circular economy for construction and demolition waste management in China: critical success factors. Sustain Chem Pharm. 2023;35:101226.[DOI]
-
20. Pan Z, Guo F. Digital twin (DT) development strategies in the architecture, engineering, and construction (AEC) industry based on SWOT-AHP analysis. J Build Des Environ. 2025;3:202441.[DOI]
-
21. Zou W, Pan M. Does the construction of network infrastructure reduce environmental pollution? — evidence from a quasi-natural experiment in “Broadband China”. Environ Sci Pollut Res. 2023;30(1):242-258.[DOI]
-
22. Tang YL, Wang XF. On the outline of the construction of network governance paradigm, Administrative Tribune. 2020;27(03):121-128. Chinese.[DOI]
-
23. Wu W, Yin Y, Hao JL, Ma W, Gong G, Yu S. Integrated and effective management of muck waste under the platform governance mode for a circular economy. Environ Sci Pollut Res. 2024;31(12):17748-17759.[DOI]
-
24. Han Z, Shan T. Comparative study on network governance, holistic governance and digital governance theory. Tribune Study. 2015;31(07):44-49. Chinese.[DOI]
-
25. Tang R, Zhao G. The structural logic of the holistic governance and its respond to political fragmentation. In: 2012 International Conference on Public Management (ICPM-2012); 2012 Aug 17-19; Kunming, China. Paris: Atlantis Press; 20212. p. 1-7.[DOI]
-
26. Isett KR, Mergel IA, LeRoux K, Mischen PA, Rethemeyer RK. Networks in public administration scholarship: Understanding where we are and where we need to go. J Public Adm Res Theory. 2011;21(suppl_1):i157-i173.[DOI]
-
27. Lindaas NA, Anthun KS, Magnussen J. New Public Management and hospital efficiency: the case of Norwegian public hospital trusts. BMC Health Serv Res. 2024;24(1):36.[DOI]
-
28. Zhao W, Wang K, Guo F, Hao JL, Zhang Q, Qi J. Unraveling barriers to digital twin adoption under Construction 4.0: a DEMATEL-ISM-MICMAC approach. J Build Des Environ. 2025;3:202438.[DOI]
-
29. Jones C, Hesterly WS, Borgatti SP. A general theory of network governance: exchange conditions and social mechanisms. Acad Manag Rev. 1997;22(4):9119-9145.[DOI]
-
30. Pu S, Ou Y, Bai O. Government public services and regional digital transformation for sustainable development: an innovation ecosystem perspective. Sustainability. 2025;17(12):5314.[DOI]
-
31. Zhao W, Hao JL, Gong G, Ma W, Zuo J, Di Sarno L. Decarbonizing prefabricated building waste: scenario simulation of policies in China. J Clean Prod. 2024;458:142529.[DOI]
-
32. Nooren P, Van Gorp N, van Eijk N, Fathaigh RÓ. Should we regulate digital platforms? A new framework for evaluating policy options. Policy Internet. 2018;10(3):264-301.[DOI]
-
33. W. Chen, Z. Yu, Platform strategy: Business model in revolution. 2013, China Citic Press: Beijing, China.
-
34. Sanner TA, Kempton AM, Russpatrick S, Sæbø JI. Governing digital platform ecosystems for social options. Inf Syst J. 2025;35(2):422-449.[DOI]
-
35. Rochet JC, Tirole J. Platform competition in two-sided markets. J Eur Econ Assoc. 2023;1(4):990-1029.[DOI]
-
36. Reid S, Hayes J, Stibbe D. Platforms for partnership: Emerging good practice to systematically engage business as a partner in development. London: The Partnering Initiative; 2015.
-
37. Rozgonyi K. Accountability and platforms’ governance: the case of online prominence of public service media content. Internet Policy Rev. 2023;12(4):1-36.[DOI]
-
38. Janssen M, Estevez E. Lean government and platform-based governance—Doing more with less. Gov Inf Q. 2013;30:S1-S8.[DOI]
-
39. Klievink B, Bharosa N, Tan YH. The collaborative realization of public values and business goals: governance and infrastructure of public-private information platforms. Gov Inf Q. 2016;33(1):67-79.[DOI]
-
40. Ansell C, Gash A. Collaborative platforms as a governance strategy. J Public Adm Res Theory. 2018;28(1):16-32.[DOI]
-
41. Nambisan S. Platforms for collaboration. Stanf Soc Innov Rev. 2009;7(3):44-49.[DOI]
-
42. Traunmüller R. Digitalization as challenge for electronic government. In: Kő A, Francesconi E, editors. Electronic Government and the Information Systems Perspective. 6th International Conference, EGOVIS 2017; 2017 Aug 28-31; Lyon, France. Cham: Springer; 2017. p. 3-8.[DOI]
-
43. Baldwin CY, Woodard CJ. The architecture of platforms: a unified view. In: Gawer A, editor. Platforms, markets and innovation. United Kingdom: Elgar; 2009. p. 19-44.[DOI]
-
44. Yuan C. Principle of Petri nets. Germany: Springer; 2025.
-
45. Silva M. Half a century after Carl Adam Petri’s Ph. D. Annu Rev Control. 2013;37(2):191-219.[DOI]
-
46. Wang JW, Ip WH, Muddada RR, Huang JL, Zhang WJ. On Petri net implementation of proactive resilient holistic supply chain networks. Int J Adv Manuf Technol. 2013;69(1):427-437.[DOI]
-
47. Liu F, Assaf G, Chen M, Heiner M. A Petri nets-based framework for whole-cell modeling. Biosystems. 2021;210:104533.[DOI]
-
48. Assaf G, Heiner M, Liu F. Coloured fuzzy Petri nets for modelling and analysing membrane systems. Biosystems. 2022;212:104592.[DOI]
-
49. Wang P, Fang W, Guo B. A measure of mental workload during multitasking: using performance-based Timed Petri Nets. Int J Ind Ergon. 2020;75:102877.[DOI]
-
50. Saren SK, Blaga F, Dzitac S, Vesselenyi T. Decision based modeling of a flexible manufacturing cell based on hierarchical timed colored Petri nets. Procedia Comput Sci. 2017;122:253-260.[DOI]
-
51. Jiang Z. Petri Nets and its application in manufacturing systems modeling and control. Beijing: Machinery Industry Press; 2004.
-
52. Huang Z. Research on Project Management of H Engineering Based on Lean Construction [dissertation]. Henan: Zhengzhou University; 2002.Chinese. Available from: https://cdmd.cnki.com.cn/Article/CDMD-10459-1020099459.htm, 53.Mei S, Teng J. Process reengineering—theory, method and technology. Beijing: Tsinghua University Press; 2004.
-
54. Alonso-Muñoz L, Casero-Ripollés A. Transparency and political monitoring in the digital environment. Towards a typology of citizen-driven platforms. Rev Lat Comun Soc. 2017;72:1351-1366.[DOI]
-
55. Wegner D, da Silveira AB, Marconatto D, Mitrega M. A systematic review of collaborative digital platforms: structuring the domain and research agenda. Rev Manag Sci. 2024;18(9):2663-2695.[DOI]
-
56. Teutscher D, Bukreev F, Kummerländer A, Simonis S, Bächler P, Rezaee A, et al. A digital urban twin enabling interactive pollution predictions and enhanced planning. Build Environ. 2025;281:113093.[DOI]
-
57. McIlwain L, Baird J, Baldwin C, Pickering G, Manathunga C, Smith T. Understanding the complex power dynamics that shape collaboration and social learning in multi-stakeholder water governance. Ecol Soc. 2024;29(3):1-25.[DOI]
-
58. Stasik A, Jemielniak D. Public involvement in risk governance in the internet era: impact of new rules of building trust and credibility. J Risk Res. 2021;25(8):991-1007.[DOI]
-
59. Chen M, Xue W, Chen J. Platform subsidy policy design for green product diffusion. J Clean Prod. 2022;359:132039.[DOI]
-
60. Montero J, Finger M. Regulating digital platforms as the new network industries. Compet Regul Netw Ind. 2021;22(2):111-126.[DOI]
-
61. Zeng H, Cheng C, Jin Y, Zhou Q. Regional environmental supervision and corporate environmental investment: from the perspective of ecological damage compensation. Environ Sci Pollut Res. 2022;29(19):28896-28912.[DOI]
Copyright
© The Author(s) 2025. This is an Open Access article licensed under a Creative Commons Attribution 4.0 International License (https://creativecommons.org/licenses/by/4.0/), which permits unrestricted use, sharing, adaptation, distribution and reproduction in any medium or format, for any purpose, even commercially, as long as you give appropriate credit to the original author(s) and the source, provide a link to the Creative Commons license, and indicate if changes were made.
Publisher’s Note
Share And Cite








